Solutions de préparation et dosage
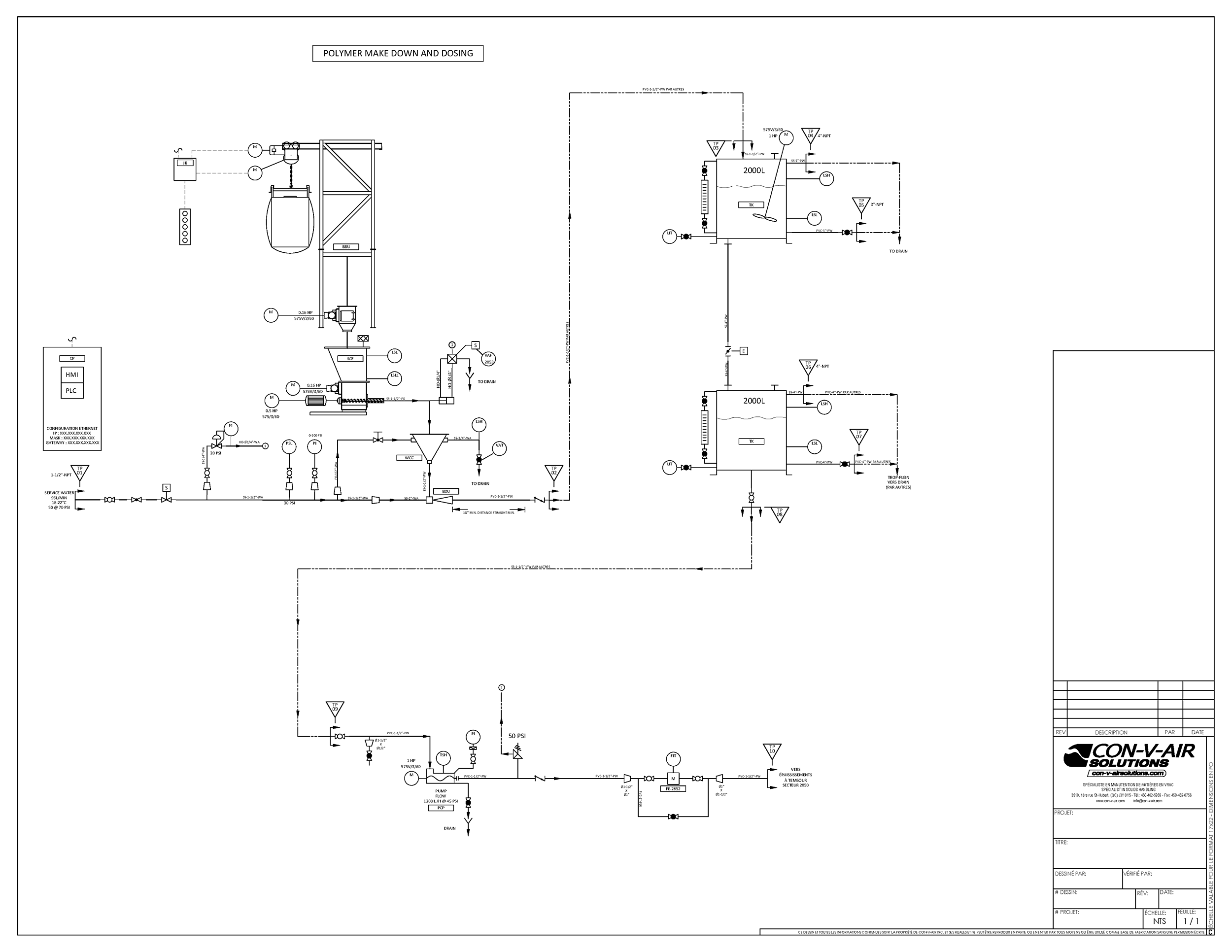
Con-V-Air propose des systèmes entièrement configurables pour la préparation et le dosage de liquides ou solides. Chaque système est conçu sur mesure par notre équipe pour répondre aux exigences spécifiques de votre projet.
En tant que fabricant intégré verticalement de systèmes entièrement modulaires, conçus et fabriqués dans nos installations, Con-V-Air garantit un contrôle total sur l’ingénierie, la fabrication, l’assemblage et les tests. Cette approche réduit les risques liés aux délais, aux coûts et à la sécurité lors de l’installation sur votre site.
Composants et Configurations Standard
Chaque système comprend des composants standards développés et fabriqués par CON-V-AIR, tels que des équipements de manutention de sacs, des doseurs volumétriques ou gravimétriques, des cuves de mélange, des systèmes de pompage, des équipements de sécurité et des panneaux de contrôle intégrés.
Pour s’adapter à vos besoins opérationnels, nous offrons une large gamme d’options personnalisables, incluant des plateformes d’accès, des escaliers et des systèmes préassemblés, garantissant facilité de maintenance, sécurité et installation.
Solutions Sécurisées et Efficaces pour la Manipulation des Produits Chimiques
Nos systèmes sont conçus pour améliorer la sécurité et l’efficacité opérationnelle dans la manipulation et le dosage des produits chimiques. En sélectionnant soigneusement des matériaux compatibles avec une large gamme de produits chimiques, nous assurons des solutions robustes et fiables adaptées à vos applications.
Nos systèmes automatisés offrent une précision exceptionnelle dans la préparation et le dosage des produits chimiques, garantissant des performances optimales. De plus, nos patins sont préassemblés et prétestés dans nos installations, réduisant ainsi le temps d’installation et les risques lors de la mise en service sur site.
